TB/T 2344 60kg Railway Rail o GNEE RAIL
Sep 22, 2025
Rheilffyrdd yw asgwrn cefn trafnidiaeth fodern, a'r allwedd i'w heffeithlonrwydd yw traciau cadarn. Mae'r Rheilffordd 60kg(Rheilffyrdd Dur 60kg, Rheilffyrdd Trwm 60kg, Rheilffyrdd 60kg), pwysau trwm yn y diwydiant rheilffyrdd, yn gosod safonau newydd ar gyfer adeiladu traciau. 60kg rheilffyrdd yn gofyn am gryfder a chadernid digonol.
Rheilffordd Dur 60kg oRHEILFFORDD GNEEyn rheilffordd Carbon Plaen sy'n addas ar gyfer y rhan fwyaf o gymwysiadau rhwydwaith a rheilffyrdd cludo nwyddau ysgafn a mwyngloddio. 60rheilffyrdd kg sydd hefyd yn addas ar gyfer rheiliau craen, tripwyr cludo, llithrfeydd a phadiau gweithdy. Rydym yn cyflenwi ac yn allforio 60KG Rail gyda phrisiau cystadleuol o ansawdd uchel. Os oes gennych ddiddordeb mewn rheiliau 60kg, os gwelwch yn dda cysylltwch â ni.
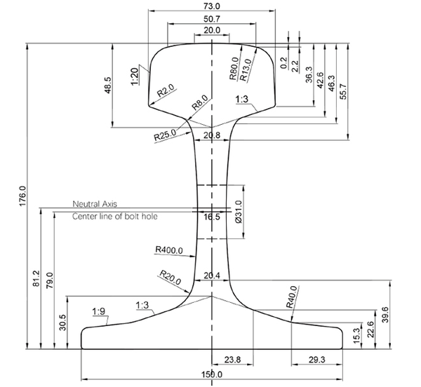
Paramedrau Rheilffordd 60 Kg
| math | pwysau (kg/m) | deunydd | hyd (m) |
| 60Kg | 60.80 | U71Mn/U75VX | 12m-25m |
| uchder rheilffordd (mm) | lled gwaelod (mm) | lled pen (mm) | trwch gwe (mm) |
| 176 | 150 | 73 | 16.5 |
Darlun Rheilffordd 60kg:

Cyflenwad Cynhyrchion Rheilffyrdd:
| Rheilffordd Dur Trwm | Maint | Uchder y Rheilffordd | Lled Gwaelod | Lled Pen | Trwch y We | Pwysau kg/m |
| 38kg | 134 | 114 | 68 | 13 | 38.733 | |
| 43kg | 140 | 114 | 70 | 14.5 | 44.653 | |
| 50kg | 152 | 132 | 70 | 15.5 | 51.514 | |
| 60kg | 176 | 150 | 73 | 16.5 | 60.8 | |
| 75kg | 192 | 150 | 75 | 20 | 74.64 |
Cwestiynau Cyffredin
1. Beth sy'n gwneud 60kg Rail yn well na thraciau confensiynol?
Mae 60kg Rail yn sefyll allan oherwydd ei allu llwyth uwch, ei wydnwch a'i effeithlonrwydd. Mae peirianneg fanwl yn sicrhau profiad rheilffordd llyfnach a mwy dibynadwy.
2. A yw gosod cymhleth Rail 60kg?
Er bod manwl gywirdeb yn allweddol, mae'r broses osod yn symlach. Mae gweithwyr proffesiynol yn dilyn canllawiau penodol i sicrhau integreiddio di-dor i rwydweithiau rheilffyrdd presennol.
3. Sut mae 60kg Rail yn cyfrannu at gynaliadwyedd amgylcheddol?
Gyda ffocws ar wydnwch ac effeithlonrwydd, mae 60kg Rail yn lleihau'r angen am ailosodiadau aml, gan leihau'r effaith amgylcheddol. Mae'r defnydd o ddeunyddiau ecogyfeillgar yn cyd-fynd ymhellach â nodau cynaliadwyedd.
4. A ellir uwchraddio'r traciau presennol i 60kg Rail?
Ydy, mae llawer o rwydweithiau rheilffyrdd yn dewis uwchraddio i 60kg Rail i fwynhau'r buddion heb eu hailwampio'n llwyr. Mae'n ffordd strategol a chost-effeithiol o wella seilwaith rheilffyrdd.
5. A oes enghreifftiau nodedig o weithrediadau Rheilffyrdd 60kg llwyddiannus?
Mae sawl gwlad wedi croesawu 60kg Rail, gyda straeon llwyddiant nodedig yn Ewrop ac Asia. Mae'r gweithrediadau hyn yn arddangos amlbwrpasedd a hyblygrwydd y dechnoleg reilffordd ddatblygedig hon.
6. Sut mae 60kg Rail yn cyfrannu at ddiogelwch mewn trafnidiaeth rheilffordd?
Mae adeiladwaith cadarn a gwydnwch y Rheilffordd 60kg yn gwella safonau diogelwch. Mae'r angen llai am waith cynnal a chadw yn sicrhau bod traciau'n aros yn y cyflwr gorau posibl, gan leihau'r risg o ddamweiniau.







